تطبيق نظام Acrel Medical IT في المستشفيات الماليزية
الصفحة الرئيسية / المشاريع / مستشفى / تطبيق نظام Acrel Medical IT في المستشفيات الماليزية

تطبيق نظام Acrel Medical IT في المستشفيات الماليزية

مع تزايد استخدام المعدات الطبية الإلكترونية في المستشفيات، يشكل خطر تسرب التيار تهديدات كبيرة لسلامة المرضى، وخاصة في بيئات الرعاية الحرجة. أثناء العمليات الجراحية أو التخدير، يتم توصيل المرضى مباشرة بأقطاب كهربائية وأجهزة استشعار مختلفة. حتى تيارات التسرب البسيطة يمكن أن تسبب صدمة كهربائية عندما تكون الأجهزة الطبية على اتصال مباشر بجسم الإنسان.

علاوة على ذلك، يجب أن تحافظ معدات دعم الحياة للمرضى المصابين بأمراض خطيرة على التشغيل دون انقطاع. وأي انقطاع للتيار الكهربائي يمكن أن يعرض حياة المرضى للخطر على الفور. لذلك، يجب أن تمتثل الأنظمة الكهربائية للمستشفيات بشكل صارم للمعايير الوطنية من خلال تنفيذ أنظمة إمداد الطاقة لتكنولوجيا المعلومات في المناطق المحددة.

توضح دراسة الحالة هذه تطبيق نظام إمداد الطاقة المعزول الطبي لشركة Acrel في ماليزيا، والذي يتميز بما يلي:

توزيع طاقة تكنولوجيا المعلومات الطبية

أجهزة مراقبة العزل

أنظمة تحديد المواقع الخاطئة

اتصل بنا
  • نظرة عامة على المشروع
  • نظرة عامة على المشروع
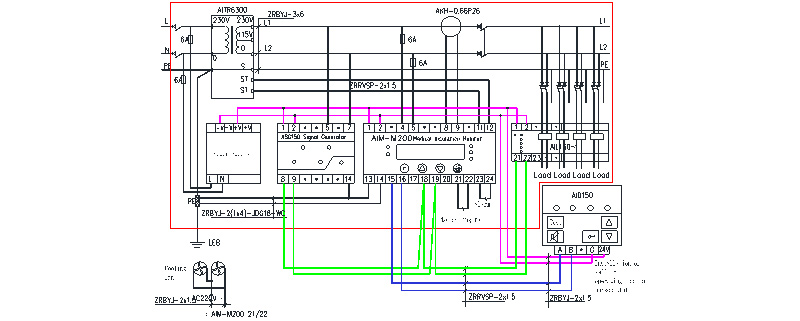
    يقع I.E.D الماليزي في SELANGOR DARUL EHSAN، ويستخدم المشروع بشكل رئيسي في مستشفى الجزيرة في ماليزيا، ويتم استخدام المنتجات لـ 12 موقع خطأ في عزل الدائرة لـ 3 مجموعات من نظام الطاقة المعزول للمستشفى، والمنتجات ذات الصلة هي جهاز مراقبة العزل AIM-M200، ومولد اختبار الإشارة ASG150، ومؤشر الإنذار المركزي AID150، ومحدد موقع خطأ العزل AIL150-8، وAIL150-4 ومحول تيار التسرب. آخ-0.66P26.


    مقدمة عن نظام تكنولوجيا المعلومات الطبية
    جهاز مراقبة العزل لنظام تكنولوجيا المعلومات الطبي ACREL ونظام تحديد موقع الخطأ مناسب لغرفة العمليات في المستشفى ووحدة العناية المركزة (CCU) وغيرها من الأماكن المهمة، ويمكن أن يوفر مكانًا آمنًا لحلول الطاقة المستمرة والموثوقة.


    حل إمدادات الطاقة للمواقع الطبية
    حلول توزيع جناح وحدة العناية المركزة ووحدة العناية المركزة (GGF-I8G، على سبيل المثال، مخطط نظام الخزانة الكهربائية المعزول)


    الخيار الأول بدون وظيفة موقع الخطأ


    الخيار الثاني مع وظيفة موقع الخطأ

    ملحوظة: في حلول توزيع الطاقة لوحدة العناية المركزة، يجب تركيب جهاز إنذار وعرض مركزي من سلسلة AID في محطة الممرضات، ويقوم طاقم المستشفى في محطة الممرضات بمراقبة حالة التشغيل لكل نظام طاقة معزول.


    حلول توزيع غرفة العمليات (على سبيل المثال، مخطط نظام الخزانة الكهربائية المعزول GGF-O8G)

    الخيار الأول بدون وظيفة موقع خطأ العزل


    الخيار الثاني مع وظيفة موقع خطأ العزل

    1. في حلول توزيع الطاقة في غرفة العمليات، يجب تركيب سلسلة AID من أجهزة الإنذار والعرض الخارجية على لوحة الذكاء داخل غرفة العمليات، أو بجوار لوحة الذكاء (تركيب مثبت على الحائط). أثناء الجراحة، يقوم الطاقم الطبي بمراقبة صحة نظام الطاقة المعزول.

    2. في المخطط مع وظيفة موقع خطأ العزل، إذا كان عدد القنوات الموجودة أكثر من ثمانية، فيمكن استخدام مجموعتين من محددات المواقع AIL150. يمكن أن تكون المجموعة AIL150-8 وAIL150-4 (حتى 12 قناة)، أو AIL150 -8 وAIL150-8 (حتى 16 قناة).

    3. مخطط الأسلاك النموذجي






    4. مقدمة لتكنولوجيا المعلومات الطبية المكونة من 7 قطع

    اسم المنتج ونوعه صورة المنتج الوصف
    محول العزل الطبي من سلسلة AITR يتم استخدام محولات العزل من سلسلة AITR خصيصًا في أنظمة تكنولوجيا المعلومات الطبية. تتم معالجة اللفات بعزل مزدوج ولها طبقة حماية إلكتروستاتيكية، مما يقلل من التداخل الكهرومغناطيسي بين اللفات. يتم تثبيت مستشعر درجة الحرارة PT100 في الكيس السلكي لمراقبة درجة حرارة المحول. يتم معالجة الجسم بالكامل بطلاء غزو الفراغ، مما يزيد من القوة الميكانيكية ومقاومة التآكل. يتميز المنتج بأداء جيد في ارتفاع درجة الحرارة وضوضاء منخفضة جدًا.
    AIM-M200 أداة مراقبة العزل الطبية الذكية تعتمد أداة مراقبة العزل الطبية الذكية AIM-M200 تقنية التحكم الدقيق المتقدمة، والتي تتميز بالتكامل العالي والحجم الصغير والتركيب المريح وتدمج الذكاء والرقمنة والشبكات في جهاز واحد. إنه الاختيار المثالي لمراقبة العزل لأنظمة الطاقة المعزولة في المواقع الطبية من الفئة 2 مثل غرف العمليات ووحدات العناية المركزة.
    AKH-0.66P26 المحول الحالي محول التيار من النوع AKH-O 66P26 هو محول التيار الوقائي الذي يدعم شاشة العزل AIM-M200، والتي يبلغ الحد الأقصى للتيار القابل للقياس فيها 60 أمبير ونسبة التحويل هي 2000:1. يتم تثبيت المحول الحالي مباشرة داخل الخزانة عن طريق الشد، ويتم إخراج الجانب الثانوي بواسطة الطرف، وهو مناسب للتركيب والاستخدام.
    AIL150-4/AIL150-8 محدد موقع خطأ العزل AIL150-4/AIL150-8 محدد موقع خطأ العزل adopts high sensitivity transformer combined with a high precision signal detecting circuit, which detects the signal imported into the system from the ASG150 test signal generator and accurately locates the circuits which have insulation faults. AIL150-4 insulation fault locator can locate the insulation faults of 4 circuits, and the AIL150-8 insulation fault locator can locate the insulation faults of 8 circuits.
    ASG150 مولد إشارة الاختبار يستخدم مولد إشارة الاختبار ASG150 شريحة معالج دقيق 32 بت ودائرة توليد إشارة عالية الدقة لتحقيق توليد إشارة اختبار محددة. عندما يكون لدى نظام تكنولوجيا المعلومات الذي يتم مراقبته أخطاء في العزل، فيمكنه بدء التشغيل وإنتاج إشارة اختبار في الوقت المناسب، والعمل مع موقع خطأ العزل لتحقيق موقع خطأ العزل.
    وحدة الطاقة HDR-60-24 يمكن أن يوفر مصدر طاقة التيار المباشر HDR-60-24 مصدر طاقة تيار مستمر 24 فولت في وقت واحد لـ AIM-M200
    أداة مراقبة العزل الذكية الطبية، ومولد إشارة الاختبار ASG150، ومحدد موقع خطأ العزل من سلسلة AIL150، وأداة الإنذار والعرض المركزية AID150. يتميز مصدر الطاقة بقدرة عالية، وإخراج جهد ثابت، وتركيب مريح، والذي يمكن أن يلبي متطلبات إمداد الطاقة للعدادات المذكورة أعلاه وهو منتج إمداد الطاقة الموصى به.
    AID1 50 أداة إنذار وعرض مركزية تعتمد أداة الإنذار والعرض المركزية AID150 شاشة الكريستال السائل LCD وتحقق تبادل البيانات مع أداة مراقبة العزل الطبية الذكية AIM-M200 من خلال واجهة الاتصال RS485، والتي يمكنها مراقبة البيانات متعددة القنوات في الوقت الفعلي لأداة مراقبة العزل الطبية الذكية AIM-M200.

    الصور في الموقع



شركة أكريل المحدودة