الصفحة الرئيسية / المنتجات / مقياس الطاقة / مقياس طاقة التيار المتردد / عداد الطاقة المثبت على لوحة قابلة للبرمجة على ثلاث مراحل AC

عداد الطاقة المثبت على لوحة قابلة للبرمجة على ثلاث مراحل AC

قياسات RMS الحقيقية

THD مع التوافقيات 63

عامل K وعامل القمة

عدم التوازن وزوايا المرحلة

الطلبات والطاقة متعددة التعريفات

الحد الأقصى/الدقيقة للسجل مع الطابع الزمني

+86-18702106858 / +86-21-69156352

[email protected]

  • يصف
  • APM810 عبارة عن عداد لوحة تيار متردد متعدد الوظائف ثلاثي الأطوار من فئة 0.2S تم تصميمه لمراقبة الطاقة بدقة وتشخيصات جودة الطاقة وإعداد الفواتير الفرعية للمستأجر في لوحات المفاتيح الصناعية والتجارية ومراكز البيانات. تحتوي حاوية DIN المدمجة مقاس 96 × 96 مم على شاشة لمس TFT ملونة تعرض جهد RMS الحقيقي حتى 690 فولت، والتيار، والتردد، والطاقة النشطة/المتفاعلة/الظاهرة، وPF، والطلب، والتوافقيات حتى 63، وTHD، وأربعة أرباع كيلوواط ساعة/كفار. يوفر Dual RS485 Modbus-RTU، وEthernet TCP/IP، وBACnet/IP، وSNMP وWi-Fi/LoRa الاختياري تكاملًا سلسًا لـ BMS/EMS، بينما تسجل الذاكرة المدمجة سعة 4 ميجابايت ملفات تعريف تحميل لمدة 12 شهرًا لعمليات تدقيق الطاقة. تعمل أجهزة الإنذار ذات الجهد الزائد/المنخفض، والتيار، وPF، والتوافقية القابلة للتكوين على تشغيل مخرجات التتابع أو المدخلات الرقمية للتحكم الذكي في الكسارة؛ تدعم سجلات النبض والشركات المملوكة للدولة وشروط الاستخدام الخاصة بالمرافق AMI وقياس صافي الطاقة الشمسية وتطبيقات شحن المركبات الكهربائية. عريض 3×57.7–690 فولت، 0.001–10 اتصال مباشر أو CT/VT بالإضافة إلى مانع للتلاعب يناسب أي نشر لشبكة ذكية أو شبكة صغيرة.

  • تحديد
  • المعلمات التقنية القيمة
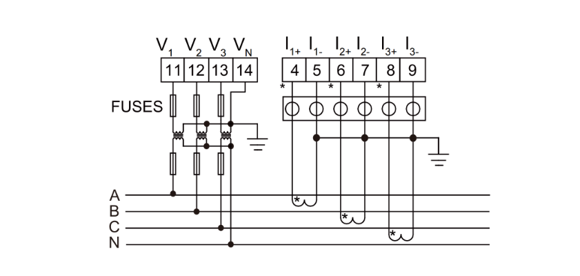
    الإدخال اتصال مرحلة واحدة - سلكان، 3 مراحل - 3 أسلاك، 3 مراحل - 4 أسلاك
    التردد 45-65 هرتز
    الجهد الكهربي التقييم:
    مرحلة واحدة: تيار متردد 100 فولت، 400 فولت
    ثلاث مراحل: تيار متردد 3×57.7 فولت/100 فولت (100 فولت)، 3×220 فولت/380 فولت (400 فولت)، 3×380 فولت/660 فولت (660 فولت) (96 حجم فقط)
    التحميل الزائد: تصنيف 1.2 أضعاف {مستمر): تصنيف 2 أضعاف لمدة ثانية واحدة
    استهلاك الطاقة: <0.5VA
    الحالي التقييم: AC IA、5A
    التحميل الزائد: تصنيف 1.2 أضعاف (مستمر)؛ تصنيف 10 أضعاف لمدة ثانية واحدة
    استهلاك الطاقة: <0.5VA
    الإخراج الطاقة الكهربائية الإخراج mode:open-collector photo-coupler pulse
    ثابت النبض: 10000imp/kWh (قابل للضبط)، راجع مخطط الأسلاك للحصول على التفاصيل؛
    الاتصالات RS485port، بروتوكول Modbus -RTU، بروتوكول DLT645 (الإصداران 07 و 97)،
    معدل الباود 1200 ~ 38400
    وظيفة تبديل المدخلات مدخل اتصال جاف، مصدر طاقة مدمج؛ إذا كان الطراز KA، فهو نشط بتيار متردد 220 فولت.
    تبديل الإخراج الإخراج mode: Relay normally open contact output
    سعة الاتصال: تيار متردد 250 فولت/3 أمبير، تيار مستمر 30 فولت/3 أمبير
    الإخراج التناظري 4 - 20 مللي أمبير
    فئة الدقة التردد:0.05Hz,Current、Voltage:0.2 class,Reactive power:l .0class,Reactive Electric energy:l .0class, active power:0.5class,active electric energy: 0.5class,2-31th harmonic measurement:±1%
    مصدر الطاقة تيار متردد/تيار مستمر 85-265 فولت أو DC24V (±20%) أو DC48V (±20%)
    استهلاك الطاقة ≥10VA
    الأمن تردد الطاقة يتحمل الجهد بين مصدر الطاقة // تحويل الإخراج // الإدخال الحالي // إدخال الجهد والإرسال // الاتصالات // إخراج النبض // تحويل المدخلات AC 2 كيلو فولت 1 دقيقة؛
    بين مصدر الطاقة، تبديل الإخراج، الإدخال الحالي، إدخال الجهد AC 2 كيلو فولت 1 دقيقة؛
    بين الإرسال، الاتصالات، إخراج النبض، تبديل المدخلات AC 1kV 1 min؛
    مقاومة العزل الإدخال、Output end to machine enclosure >100MΩ
    البيئة درجة الحرارة العمل: -25 درجة مئوية ~ 65 درجة مئوية التخزين: -40 درجة مئوية ~ 80 درجة مئوية
    الرطوبة ≥93% رطوبة نسبية غير متكثفة
    الارتفاع ≥2500 م
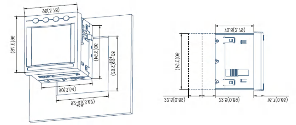
  • الأبعاد ومخطط الأسلاك
  • سيناريو التطبيق
  • حل مراقبة الطاقة

  • طلب موقع العمل
نبذة عن أكريل
"كفاءة الطاقة المُحسّنة، تمكين المستقبل الأخضر."

تأسست شركة Acrel المحدودة (رمز السهم: 300286.SZ) عام 2003، وهي شركة تقنية متخصصة في حلول إدارة الطاقة والسلامة الكهربائية. يقع مقرها الرئيسي في شنغهاي، وتقدم Acrel حلولاً مبتكرة ومستدامة لكفاءة الطاقة في الشبكات الصغيرة والسلامة الكهربائية. تمتلك Acrel أكثر من 600 براءة اختراع وحقوق ملكية فكرية لبرامجها، وقد نشرت أكثر من 28000 نظام حل على مستوى العالم، لتشكل بذلك بنية إنترنت طاقة شاملة "سحابية-طرفية-نهائية".

Acrel Co., Ltd. يكون تجارة الجملة في الصين عداد الطاقة المثبت على لوحة قابلة للبرمجة على ثلاث مراحل AC المصنعين و عداد الطاقة المثبت على لوحة قابلة للبرمجة على ثلاث مراحل AC مصنع. يمتد النظام البيئي المتكامل لمنتجات Acrel من برمجيات المنصات السحابية إلى مكونات المستخدم النهائي، ويغطي قطاعات مثل الطاقة، والطاقة المتجددة، ومراكز البيانات، والمباني الذكية، والنقل، والمدن الذكية. تُمكّن هذه الحلول من إدارة الطاقة بذكاء وفي الوقت الفعلي، مما يعزز أمن الطاقة ويقلل تكاليف التشغيل. نحن نقدم عداد الطاقة المثبت على لوحة قابلة للبرمجة على ثلاث مراحل AC للبيع.

تلتزم شركة جيانغسو أكريل لتصنيع الأجهزة الكهربائية المحدودة، وهي منشأة إنتاج تابعة للشركة، بمعايير جودة صارمة وإرشادات بيئية دقيقة، وتضم مراكز اختبار متطورة وتلتزم بعمليات إنتاج خالية من الرصاص. ويقدم فريق أكريل، الذي يضم أكثر من 500 مهندس، أنظمة متطورة لكفاءة الطاقة وحلولاً ذكية للطاقة.

بفضل حضورها القوي في السوق المحلية، تتوسع شركة أكريل بنشاط على الصعيد الدولي، مدعومةً بشبكة عالمية من فرق المبيعات والدعم الفني، ومنصة للتجارة الإلكترونية تضمن تجارب خدمة سلسة في جميع أنحاء العالم. وتفخر أكريل بمساعدة الشركات على تحسين الكفاءة، وخفض الاستهلاك، وتحقيق أهداف الاستدامة.

معًا، نبني مستقبلًا أكثر ذكاءً وخضرة.

  • براءات الاختراع المعتمدة

    0+
  • عدد العملاء الذين تم خدمتهم

    0+
  • إجمالي عدد الموظفين

    0+
  • قاعدة التصنيع

    0
شهادة المؤسسة

تمكين الشركات من خلال قدراتنا القوية.

  • اللجنة الانتخابية المستقلة
  • CE-MID
  • أول
  • بنفايات
أخبار
  • مرحبا بكم في الاتصال وفي سياق التطور السريع لصناعة الطاقة الجديدة، هناك سيناريوهات مثل تخزين الطاقة التجارية والصناعية , محطات تبديل البطاريات ، و أنظمة تخزين الطاقة الكهروضوئية المنزلية لقد وضعوا مطالب أعلى على الدقة والتوافق والذكاء من قياس الكهرباء . ...

    اقرأ المزيد
  • خلفية الصناعة وأهمية التطبيق تعمل قضبان التوصيل بمثابة العمود الفقري لأنظمة التوزيع الكهربائية في صناعات تتراوح بين المفاتيح الكهربائية، والمحركات الصناعية، ومحولات الطاقة المتجددة، وأنظمة تخزين طاقة البطارية (BESS)، وإلكترونيات طاقة المركبات الكهربائية. مع نمو أنظمة التيار العالي وكثافة الطاق...

    اقرأ المزيد
  • خلفية الصناعة وأهمية التطبيق يؤدي الاعتماد السريع للسيارات الكهربائية (EVs) إلى زيادة متطلبات البنية التحتية الجديدة في البيئات السكنية متعددة المستأجرين مثل المجمعات السكنية، والمباني متعددة الاستخدامات، والإسكان متعدد الأسر. على عكس منازل الأسرة الواحدة، تشترك الشقق عادةً في أنظمة توزيع الكه...

    اقرأ المزيد
Acrel Co., Ltd.