مرحبا بكم في الاتصال
وفي سياق التطور السريع لصناعة الطاقة الجديدة، هناك سيناريوهات مثل تخزين الطاقة التجارية والصناعية , محطات تبديل البطاريات ، و أنظمة تخزين الطاقة الكهروضوئية المنزلية لقد وضعوا مطالب أعلى على الدقة والتوافق والذكاء من قياس الكهرباء . قامت شركة Acrel Electric بتطوير مجموعة كاملة من حلول الأجهزة الداعمة للطاقة الجديدة. تم تصميم هذه الحلول خصيصًا لتلبية المتطلبات الأساسية لسيناريوهات التطبيقات المختلفة، وتغطي احتياجات القياس بدءًا من التطبيقات المنزلية منخفضة الطاقة وحتى أنظمة تخزين الطاقة الصناعية والتجارية واسعة النطاق. توفر الحلول دعمًا موثوقًا للتشغيل المستقر والقياس الدقيق لأنظمة الطاقة الجديدة.
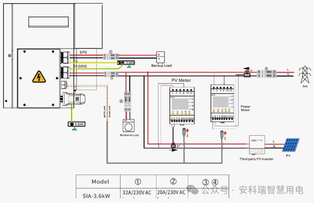
يمثل تخزين الطاقة والطاقة الكهروضوئية السكنية سيناريو تطبيق مهم لنشر الطاقة الجديدة. قامت شركة Acrel بتطوير منتجات أدوات متوافقة للغاية تستهدف سيناريوهات فرعية مختلفة، بما في ذلك مطابقة عاكس تخزين الطاقة، وتكامل العاكس الهجين، وأنظمة تخزين الخلايا الكهروضوئية للشرفة، وأنظمة نقل شفافة من نقطة إلى نقطة لتخزين الطاقة الصغيرة . تعمل هذه المنتجات على تحقيق التوازن بين التكامل وسرعة القياس ومرونة الاتصال.
استجابة لخصائص السوق الخاصة بالتوافق مع العلامات التجارية المتعددة في أنظمة تخزين الطاقة والطاقة الكهروضوئية، تم اعتماد تكوين RS485 CT لاستيعاب ظروف التثبيت غير المؤكدة للوكلاء المحترفين. تم اعتماد الأدوات بشهادات CE-MID وUL وRCM الدولية. ومع معدل تحديث بيانات عالي السرعة يبلغ 50 مللي ثانية، تدعم الأجهزة أيضًا تعديل تسلسل الطور، مما يضمن القياس الدقيق والتوافق القوي.
لتلبية متطلبات التكامل العالية لتصميمات عاكسات تخزين الطاقة الشاملة ومتطلبات القياس ثنائي القناة في سيناريوهات التعديل التحديثي، تم تجهيز الأدوات بمحطات التوصيل السريع للجهد والتيار ومنافذ اتصالات RJ45. كما أنها تدعم معدلات تحديث البيانات البالغة 50 مللي ثانية وتعديل تسلسل الطور، إلى جانب نظام اعتماد شامل، مما يجعلها مناسبة لكل من سيناريوهات التثبيت التحديثية والجديدة.
تم تصميم هذا الحل خصيصًا لأنظمة تخزين الطاقة الكهروضوئية الموزعة منخفضة الطاقة على الشرفات، وهو يوازن بين التكامل العالي والتركيب والتشغيل المريح. بالإضافة إلى قياس ثنائي القناة ومحطات التوصيل السريع ، كما يدعم وظائف تصحيح أخطاء WiFi وواي فاي هالو وBluetooth . يعمل التصميم اللاسلكي على تبسيط عملية التثبيت بشكل كبير في سيناريوهات صغيرة الحجم، ويحمل المنتج شهادة CE-RED.
لمعالجة ضعف الاختراق وأداء الشبكة غير المستقر من traditional WiFi in micro-energy storage scenarios, WiFi HaLow تم اعتماد تقنية الاتصالات (Sub-1GHZ). بالمقارنة مع شبكة WiFi التقليدية، فهي توفر قدرة اختراق أقوى ومسافة نقل أطول. بالمقارنة مع اتصال LoRa، فهو يوفر سرعة نقل أعلى واستقرار أفضل. يدعم الجهاز أصلاً هذه التقنية، ولا يتطلب سوى نقطة وصول إضافية على الجانب العاكس لتمكين الاتصال اللاسلكي. كما أنه يدعم التكوين السريع للشبكة من واحد إلى واحد ومن واحد إلى العديد، مما يجعله مناسبًا لأنظمة التخزين الصغيرة في الشرفات والمحولات المتعددة المنزلية.
يتطلب تخزين الطاقة الصناعية والتجارية، وتخزين الطاقة على نطاق واسع، ومحطات تبديل البطاريات معايير صارمة في دقة القياس، وسرعة التحديث، ومرونة التثبيت، والامتثال التنظيمي. توفر شركة Acrel منتجات أدوات مدمجة ومثبتة على سكة DIN بناءً على المتطلبات الأساسية مثل الفواتير متعددة التعريفات، وقياس الطلب، وحماية تدفق الطاقة العكسي، والاتصالات اللاسلكية ، ودعم كل من عمليات التثبيت الجديدة والتطبيقات التحديثية.
حصل APM521 على شهادة CSA (UL) الخارجية ويوفر دقة قياس الطاقة النشطة تصل إلى 0.2 ثانية (الفئة D). وهي مجهزة بتخزين بطاقة SD للمعلمات الكهربائية في الوقت الحقيقي. يدعم تصميم وحدة توسيع الوحدة الرئيسية المعيارية التركيب المضمن وتركيب السكك الحديدية DIN، مما يلبي متطلبات التثبيت المتنوعة في المشاريع الجديدة.
هذا مقياس فئة 0.5S مع CT خارجي، يستخدم على نطاق واسع في تطبيقات العملاء الكبيرة. إنه يدعم الأسلاك التحديثية CT الثانوية ويمكنه تثبيت التيار الجانبي الثانوي مباشرة لمحولات التيار الحالية، مما يجعله مناسبًا للغاية لمشاريع تحديث العدادات. يحمل المنتج شهادات CPA وCE وUL ويمكن أيضًا تخصيصه في إصدار تحديث عالي السرعة لتلبية متطلبات التطبيقات عالية الأداء.
بالإضافة إلى ذلك، تدمج الحلول الصناعية والتجارية أيضًا وظائف الحماية من الحمل الزائد. يمكن توصيل النظام بسيناريوهات تخزين الطاقة الجانبية ذات الجهد العالي والمنخفض ويمكنه العمل مع عدادات كهرباء متعددة التعريفات لتحقيق قياس دقيق للكهرباء بموجب هياكل تعريفة مختلفة، مما يوفر دعمًا شاملاً لإدارة السلامة والطاقة لأنظمة تخزين الطاقة الصناعية والتجارية ومحطات تبديل البطاريات.
وفي سياق الترقيات المستمرة في صناعة الطاقة الجديدة، ستواصل Acrel التركيز على الابتكار ومواصلة تحسين تكنولوجيا الأجهزة الجديدة الداعمة للطاقة ونظام المنتج. تهدف الشركة إلى توفير المزيد من الكفاءة والذكاء والموثوقية قياس الكهرباء solutions لتخزين الطاقة التجارية والصناعية، ومحطات تبديل البطاريات، وتطبيقات تخزين الطاقة الكهروضوئية المنزلية، مما يساعد على تعزيز التنمية عالية الجودة لصناعة الطاقة الجديدة.
